您好,欢迎进入彩宝网app下载官方网站!

产品展示

为客户提供量身定制液压系统解决方案

产品中心

液压系统
电气控制
润滑站
动力站
定制液压系统 其它更多产品

品质保障

从原材料、设备、工艺到检测严格把控

应用领域

已为1000多家企业提供产品服务

品牌实力见证

20年匠心研发,铸就精工品质

彩宝网app下载

20余年行业经验
实力雄厚

• 20余年行业经验,厂房面积超8000多平方米,员工超100人

• 公司拥有10年以上的行业工作经验的工程师、技师60多人

• 拥有数台精良的机械加工设备和先进的检测分析设备

彩宝网app下载

严苛质检管理体系
提供高品质产品

• 公司产品通过ISO9001-2008质量管理体系认证

• 公司拥有国家多项产品专利和多项认证证书

• 现代化生产设备和标准化生产流程管理,满足各种定制需要

彩宝网app下载

长期原材料采购合作
性价比提高30%

• 凯盾流体和多家供应商签订长期采购协议,原材料采购更有优势

• 公司拥有稳定的物流运输团队,发货迅速,物流成本可控

• 全产业链液压系统生产基地,让你的采购成本降低30%

彩宝网app下载

无忧售后,比“三包”
更实际的售后服务

质保1年:质保期内免费维修、零配件免费更换;

技术支持:定期回访,配件随时供应服务,随时提供免费技术支持。

• 快速响应:服务支持7x24电话,以满足客户需求为目标的服务理念

走进凯盾

20年专注液压系统研发制造,拥有核心技术和自主研发能力

新闻动态

返回顶部

 彩宝网app下载 - 手机app官方版免费安装

您好,欢迎进入彩宝网app下载官方网站!

混合型摩擦焊机液压系统

5.jpg

主机功能结构

 摩擦焊接是一种固相热压焊接方法,是以摩擦热为热源,通过机械摩擦运动及施加载荷使两物体表面之间产生热量。把两个焊接件表面加热到塑性状态,然后利用此热量将同种材料、异种材料通过顶锻加压牢固地连接起来的焊接方法。焊接时,接合面不熔化,所形成的焊缝金相组织为锻造组织,焊缝力学性能高于母材强度。由于无需填充金属、焊条、焊剂及保护气体,故是一种绿色环保的焊接方法,世界各国普遍采用摩擦焊接生产工艺的新型摩擦焊机,本混合型摩擦焊机,最大顶锻力达200t,最大焊接面积16000mm²,焊接时间1min。

200吨级混合型摩擦焊机由床身、主轴箱、移动滑台、直线导轨、传动装置、润滑系统、液压系统、电气控制系统及计算机监控系统等部分组成(图3-3)


主轴箱6主要由主轴、上下箱体、顶锻缸(2个)、楔形卡爪(5个)、平衡缸、皮带轮、离合器、离合缸(2个)、旋转给油器、主轴缸带动移动滑台往复运动。用于摩擦和顶端加压。在顶端焊接瞬间产生的200t轴向力通过两套推力调心滚子轴承来承载,一套采用固定安装,另一套采用平衡缸活动安装,每个轴承只承受轴向力的一半。楔形卡爪用于夹紧钻杆接头,其原理是主轴缸的活塞带动楔形卡爪沿斜面做往复运动,从而将工件夹紧或松开,送开工件的同时能够内冲切除焊接内飞边。主轴缸通过旋转给油器供油。主轴的旋转通过离合器来实现,离合器采用圆锥离合器,由离合缸带动离合器沿花键套往复运动,当离合器和皮带轮接合时带动主轴转动,脱开时,主轴在顶锻力的作用下刹车。主轴箱内各滚动轴承均采用30号机油强制润滑,由润滑泵从润滑站打出压力油,进入上、下箱体孔流到各轴承上。润滑油流量大小,可由出口处节流阀进行调节。


 移动滑台由工件前。后对中机构,夹紧缸(4个),夹具(6套),滑台体等零部件组成。工件前、后对中机构用于工件的前、后端自动定心,其原理是装于滑台体上的液压缸活塞杆成后工件夹紧机构的夹紧缸开始动作带动夹具夹紧工作。


1.png

3-3  200t级混合型摩擦焊机结构图

1-直流电机  2-传动装置  3-皮带轮  4-皮带  5-床身   6-主轴箱   7-润滑油站   8-叶片泵组  9-前对中缸   10-液压站  11-移动滑台   12-后对中机构  13-柱塞泵组    14-后对中缸  15-夹紧缸  16-夹具  17-前对中机构  18-楔形卡爪  19-主轴缸  20-顶锻缸   21-圆柱滚子轴承   22-推力调心滚子轴承  23-平衡缸  24-离合器  26-旋转给油器截止阀

 

传动装置由直流电机。皮带轮、皮带、轴承座、滑座、地脚板等组成。通过调整螺栓可调整传动装置与焊机主体部分之间的中心距,从而调整皮带的预紧力。


2.png

图3-4  200t级混合型摩擦焊机摩擦焊接控制流程框图



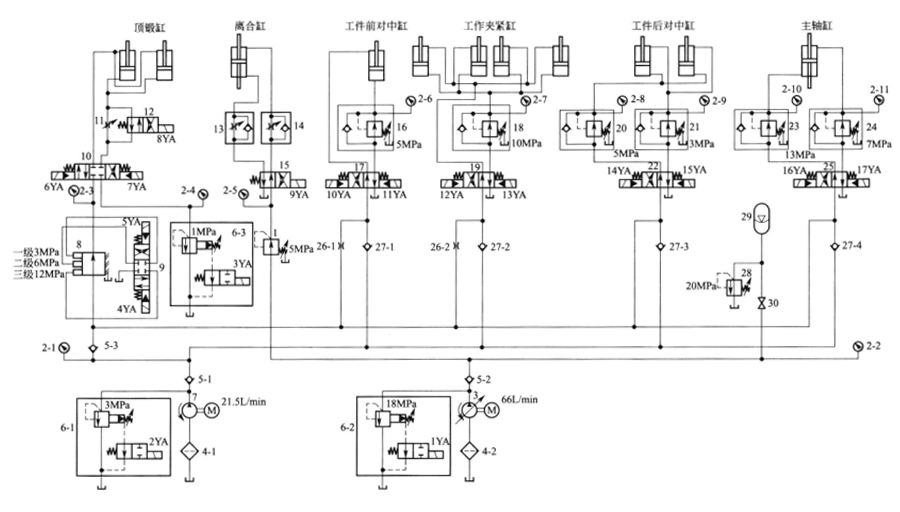
液压系统原理


机器的液压系统原理如图3-5所示,图3-5中给出了液压泵的流量及各压力控制元件的调节参数。


3.png

图3-5  200t级混合型摩擦焊机液压系统原理

1-液压阀  2-压力表  3-变量柱塞泵  4-过滤器  5-管式单向阀  6-电磁溢流阀   7-叶片泵  8-特制三级减压阀  9,10一三位四通电液换向阀  11-节流阀  12-单电控二位四通电液换向阀  13,14-单向节流阀  15-二位四通电磁换向阀  16,18,20,21,23,24-单向减压阀  17,19,22,25-双电控二位四通电液换向阀  26-固定节流器  27-单向阀  28-溢流阀  29-蓄能器  30-截止阀


(1)元件作用

     系统的油源为低压大流量叶片泵7和高压小流量变量柱塞泵3,双泵压力与卸荷分别由电磁溢流阀6-1和6-2设定和控制,并分别由压力表2-1和2-2显示。单向阀5用于防止压力油倒灌以保护液压泵。系统有顶锻缸、离合缸、工件前对中缸、夹紧缸、工件后对中缸和主轴缸共6组液压执行元件,它们的运动放心依次分别由三位四通电液换向阀10,二位四通电磁换向阀15.二位四通电液换向阀17/19/22和25进行控制。

      顶锻缸的工作压力由三级减压阀8设定(由压力表2-3显示)和三位四通电磁换向阀9进行切换,二位四通电液换向阀12和节流阀11配合用于控制顶锻缸快慢速进退时回油和进油的切换。电磁溢流阀6-3作为顶锻缸的回油背压阀使用(调压由压力表2-4显示)

      离合缸工作压力由减压阀1设定并由压力表2-5显示,单向节流阀13/14用于调节离合缸的进、退速度。

      工件前对中缸的工作压力由单向减压阀16调整并由压力表2-6显示,缸的速度由固定节流器26-1调节夹紧缸工作压力由单向减压阀18调整并由压力表2-7显示,速度由固定节流器26-2调节。

      工作后对中缸的夹紧和松开的工作压力分别由单向减压阀20和单向减压阀21调整,并分别由压力表2-8和2-9显示。

      主轴缸夹紧工作压力分别由单向减压阀24和单向减压阀23调整,并分别由压力表2-10和2-11显示。

      蓄能器29是系统的辅助动力源,溢流阀29用于设定蓄能器最高压力。


4.png

(2)工作原理


      液压泵启动后,电磁铁1YA通电和2YA通电,阀6中的二位二通电磁换向阀切换至右位,叶片泵7和柱塞泵3建立压力。

      1、移动滑台。快速前进:电磁铁7YA通电使电液阀10切换至右位。叶片泵7和柱塞泵3的压力油→单向阀5→三级减压阀8→电液阀10→顶锻缸的有杆腔,无杆腔油液→电液阀12→电磁溢流阀6-3→油箱。实现顶锻缸带动滑台快进。

      快速退回:电磁铁6YA通电使电液阀10切换至左位,其余同上。

      当一、二工作进给和快速顶锻时,电磁铁2YA断电使阀6-1中的二位换向阀复至图示左位,叶片泵7卸荷,柱塞泵3单独向顶锻缸供油。

      一共进:电磁铁4YA通电使换向阀9切换至下位,7YA通电使阀10切换至右位,此时电磁铁8YA通电使电液阀12切换至右位,电磁铁3YA通电使阀6中二位阀切换至右位,压力油→减压阀8(一级压力)→电液阀10→顶锻缸的有杆腔,无杆腔油液→节流阀11→电磁溢流阀6-3→油箱。实现了一共进,一共进速度由节流阀开度决定。

      二共进:电磁铁5YA通电使换向阀9切换至上位,电磁铁7YA通电使电液阀10切换至右位,8YA通电使电液阀12切换至右位,电磁铁3YA断电使阀6-3中的二位阀复制图示左位,压力油→三级减压阀8(二级压力)→电液阀10→顶锻缸有杆腔,无杆腔油液。 

      快速顶锻:电磁铁4YA和5YA 同时断电使电磁阀9复至中位,电磁铁 7YA通电使电液阀10切换至右位,电磁铁3YA断电使阀6-3中的二位阀复至图示左位。压力油→三级减压阀8(三级压力)经电液阀10 向顶锻缸的有杆腔,无杆腔油液→电液阀12→电磁溢流阀6-3→油箱。实现快速顶锻。

      由于快速顶锻位移很小,由柱塞泵3和蓄能器29供油完成快速顶锻,快速顶锻比Ⅱ工进速度快10倍。

      ②离合缸进退。由柱塞泵3供油。电磁铁9YA通电使电磁阀15切换至右位,离合缸前进;电磁铁9YA断电使电磁阀15复至图示左位,离合缸后退。离合缸的进、退速度取决于单向节流阀13、14的开度。

      ③工件前对中缸及夹紧缸。由双泵供油,速度分别取决于固定节流器26-1和26-2的开度。电磁铁10YA 通电使电液阀17切换至左位;松开时电磁铁11YA通电使电液阀17切换至右位,前对中缸夹紧。电磁铁12YA 通电使电液阀19切换至左位,电磁铁13YA 通电使电液阀19切换至右位,夹紧缸夹紧。

      ④工件后对中缸及主轴夹紧缸。由双泵供油。电磁铁14YA通电,阀22切换至左位,后对中缸夹紧;电磁铁15YA通电使电液阀22切换至右位后,对中缸松开时。电磁铁16YA 通电使电液阀25切换至左位,主轴缸夹紧,电磁铁17YA通电使电液阀25切换至右位,主轴缸松开。


5.png

液压系统特点

 

机器采用了液压传动和工控机+ PLC控制方式,具有焊接性能好、精度高、效率高、操作方便及结构紧凑、人机交互好、自动化程度高的优点,可用于航空航天、石油钻杆、船舶制造及工程机械行业大截面工件摩擦焊接。

 

液压系统采用高低压双泵组合供油,并以蓄能器作为系统的辅助动力源。在高压小流量况。通过电磁溢流阀使低压大流量泵零压制荷,降低了能量损失和液压系统噪声。同时缩小了油箱容量。

 

在顶锻缸进油路设置三级减压阀,以满足不同工况对工作压力的需求,在顶锻缸回油路设置电磁溢流阀作为顶锻缸的回油背压阀使用,提高了缸的工进运行平稳性。

 

液压站中的阀组采用叠加阀方式,结构紧凑。节省了管件,减小了压力损失和泄漏,提高了系统效率。


6.png

返回顶部